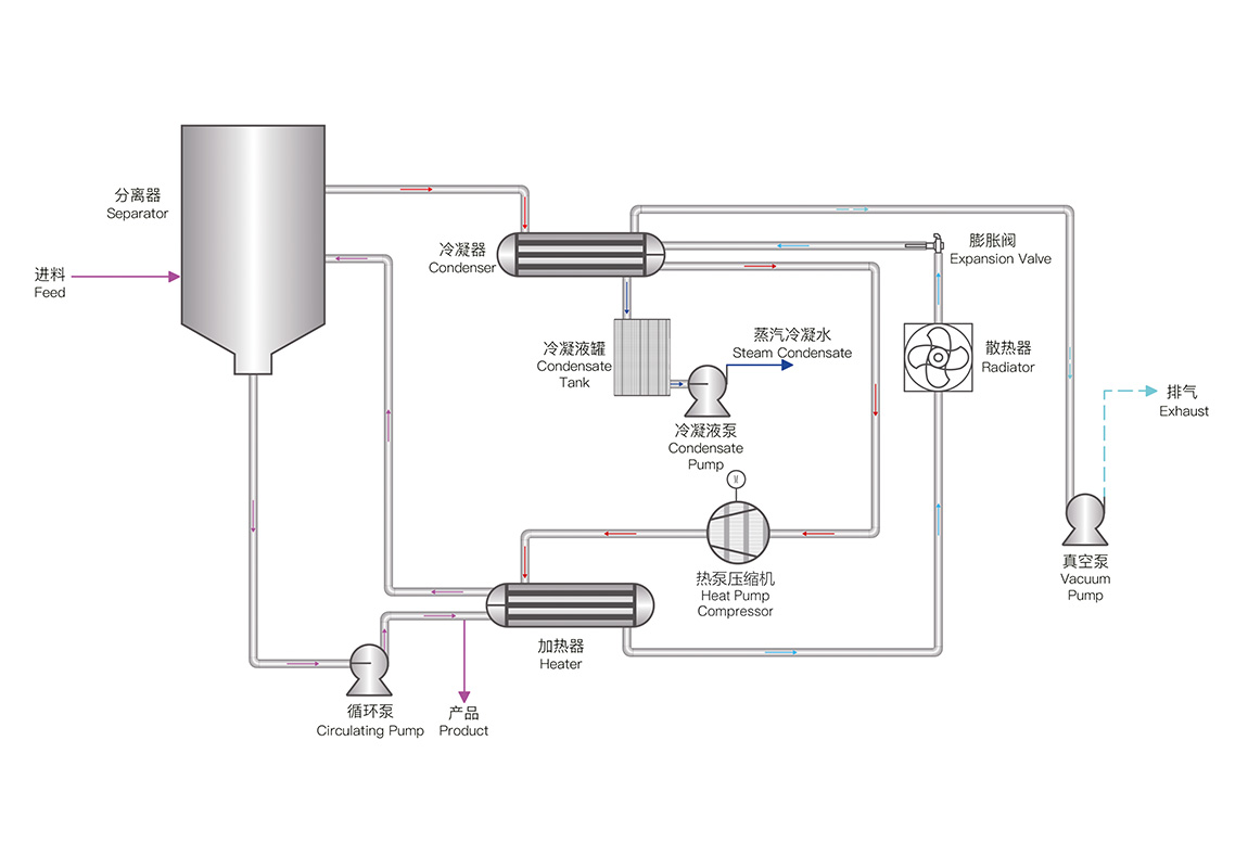
超低溫熱泵蒸發系統
蒸發器在40C的溫度下運行,可顯著降低蒸餾物的COD和少量排放濃縮物。
點擊查看
·超低能耗:能耗僅為傳統設備30%-50%。
·低溫蒸發:工作溫度可低至30℃,保護熱敏成分。
·環保清潔:無鍋爐廢氣排放,符合綠色生產要求。
·智能控制:全自動精準調節。
·緊湊設計:模塊化設計,占地小。
由蒸發器、熱泵壓縮機、冷凝器及智能控制系統組成,采用高效換熱器與熱泵機組實現熱能循環。
物料經預熱后進入蒸發器,在低溫條件下蒸發產生二次蒸汽。熱泵壓縮機將低溫二次蒸汽壓縮升溫,轉化為高溫熱源重新輸送到蒸發器加熱物料,形成閉式熱能循環。蒸發過程中,冷凝水可回收利用,濃縮液從系統底部排出。整個系統僅需少量電能驅動熱泵,即可實現高效蒸發,大幅降低能耗。
